德鲁普PPS泵壳屏蔽泵焕新上市

来源:    日期:2021-4-1    浏览次数7667

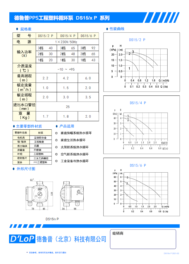
PPS中文名称叫聚苯硫醚,是一种综合性能优异的热塑性特种工程塑料,其突出的特点是耐高温,耐腐蚀和优越的机械性能。德鲁普完全自主开发的使用PPS工程塑料的泵壳,重量轻,强度高,完全满足饮用水标准;水力性能优异,表面光亮美观,可完美替代传统的铸铁泵壳;结合湿转子结构屏蔽泵静音,不泄漏的优点,特别适合对水质要求高的家庭卫生热水循环增压应用。